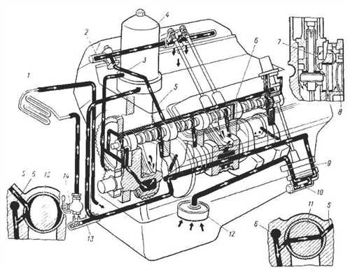
Один из важных элементов автомобиля ГАЗ 53 — система охлаждения двигателя. Она обеспечивает стабильную работу двигателя и предотвращает его перегрев, что может привести к серьезным повреждениям. В этой статье мы рассмотрим основные компоненты системы охлаждения и принцип ее работы.
Главным элементом системы охлаждения ГАЗ 53 является радиатор. Он представляет собой устройство, состоящее из множества трубок, через которые протекает охлаждающая жидкость. Радиатор находится перед радиатором пантомеханизма и имеет вентилятор, который насосом с сцеплением, запитанным от пускового автомобиля, через роликовый механизм приводится в действие при достижении температуры жидкости в радиаторе.
Охлаждающая жидкость в системе охлаждения двигателя ГАЗ 53 — вода с антифризом. Это специальная смесь, которая не замерзает при низких температурах и не кипит при высоких. Она отлично передает тепло от нагретого двигателя к радиатору, где оно отдается окружающей среде.
Принцип работы системы охлаждения ГАЗ 53 заключается в циркуляции охлаждающей жидкости. Когда двигатель работает, он нагревает жидкость, которая поступает в радиатор. Там она охлаждается при помощи воздуха, проходящего через радиатор. Охлажденная жидкость возвращается в двигатель и проходит через все его части, чтобы охладить их и предотвратить перегрев.
Система охлаждения двигателя ГАЗ-53: основные компоненты и принцип работы
Основными компонентами системы охлаждения ГАЗ-53 являются:
- Радиатор — это устройство, выполняющее функцию охлаждения теплоносителя. В нем происходит передача тепла от охлаждающей жидкости к воздуху, благодаря чему охлаждается и циркулирующий по двигателю охлаждающий компонент.
- Вентилятор — предназначен для усиления воздушного потока, который охлаждает радиатор. Он может быть приводим в действие при помощи приводного ремня, при низкой температуре воздуха или увеличении температуры охлаждающей жидкости.
- Термостат — контролирует температуру охлаждающей жидкости путем регулирования потока охлаждающей жидкости через двигатель. Он закрывает или открывает доступ охлаждающей жидкости к двигателю в зависимости от его температуры.
Принцип работы системы охлаждения ГАЗ-53 заключается в следующем:
- Охлаждающая жидкость циркулирует по двигателю, поглощает его тепло и передает его в радиатор с помощью специальных трубок.
- Вентилятор, усиливая воздушный поток, охлаждает радиатор, а следовательно, и охлаждающую жидкость.
- Термостат контролирует температуру охлаждающей жидкости и регулирует ее поток через двигатель. При низкой температуре он закрывает доступ жидкости, чтобы ускорить нагрев двигателя, а при высокой температуре он открывает доступ, чтобы избежать его перегрева.
Правильное функционирование системы охлаждения является важным аспектом поддержания оптимальной температуры работы двигателя ГАЗ-53. Регулярная проверка и обслуживание этой системы помогают предотвратить возможные проблемы и обеспечить надежность и продолжительность работы автомобиля.
Основные компоненты системы охлаждения
Система охлаждения двигателя газ 53 состоит из нескольких основных компонентов, которые обеспечивают эффективное охлаждение двигателя и поддержание оптимальной температуры работы.
Радиатор
Один из ключевых компонентов системы охлаждения — радиатор. Радиатор предназначен для удаления излишнего тепла из охлаждающей жидкости двигателя. Он представляет собой систему трубок, через которые проходит охлаждающая жидкость, окруженная пластинками или ребрами для увеличения поверхности радиатора и улучшения теплоотдачи.
Вентилятор
Вентилятор является ключевым элементом системы охлаждения, который отвечает за циркуляцию воздуха через радиатор. Он монтируется на втулке насоса воды и приводится в движение ремнем или электрическим двигателем. Вентилятор обеспечивает достаточное охлаждение радиатора за счет принудительной циркуляции воздуха через его пластинки.
Термостат
Термостат — это механическое устройство, связанное с системой охлаждения двигателя, которое регулирует температуру охлаждающей жидкости и поддерживает ее на оптимальном уровне для работы двигателя. Термостат открывает и закрывает клапан, в зависимости от температуры, обеспечивая равномерное распределение охлаждающей жидкости по двигателю.
Все эти компоненты работают вместе, обеспечивая надежное охлаждение двигателя газ 53 и поддержание оптимальной температуры для его работы. Правильное функционирование системы охлаждения необходимо для предотвращения перегрева двигателя и обеспечения его длительной и надежной работы.
Принцип работы системы охлаждения
Основные компоненты системы охлаждения включают:
- Радиатор — отвечает за снижение температуры охлаждающей жидкости, используя принцип теплообмена с окружающей средой;
- Вентилятор — обеспечивает приток воздуха к радиатору для активного охлаждения охлаждающей жидкости;
- Термостат — контролирует температуру охлаждающей жидкости и регулирует ее поток в системе;
- Водяной насос — отвечает за циркуляцию охлаждающей жидкости по системе;
- Трубопроводы и шланги — обеспечивают передачу охлаждающей жидкости между компонентами системы;
- Датчики температуры — мониторят температуру охлаждающей жидкости и подают сигнал на регулировку системы.
Принцип работы системы охлаждения заключается в следующем:
- Охлаждающая жидкость циркулирует в системе под давлением, создаваемым водяным насосом.
- Тепло, накапливающееся в двигателе, передается охлаждающей жидкости через термостат.
- Охлаждающая жидкость проходит через радиатор, где тепло отводится с помощью воздуха, обдувающего его вентилятором.
- Охлажденная жидкость возвращается в двигатель для повторного охлаждения и циркуляции.
Таким образом, система охлаждения двигателя газ 53 поддерживает стабильную температуру работы двигателя, предотвращая его перегрев и обеспечивая оптимальные условия для длительной и безотказной эксплуатации.
Радиатор охлаждения
Принцип работы радиатора

Радиатор охлаждения состоит из многочисленных трубок, которые расположены параллельно друг другу и связаны алюминиевыми или медными желобами. Он также имеет воронку для входа и выхода охлаждающей жидкости.
Тепловой обмен в радиаторе происходит благодаря воздушному потоку, который проникает через специальные ребра радиатора. По мере движения автомобиля, воздух проходит через радиатор и охлаждает нагретую охлаждающую жидкость, отводя тепло в окружающее пространство.
Теплоотдача радиатора зависит от его конструкции, размеров и эффективности охлаждающего воздушного потока. Чем больше радиатор и чем мощнее вентилятор (если он установлен), тем лучше охлаждение двигателя.
Техническое обслуживание радиатора
Для продления срока службы радиатора ГАЗ-53 необходимо регулярно выполнять его техническое обслуживание:
- Очищать радиатор от пыли и посторонних предметов, которые могут находиться между ребрами.
- Проверять плотность соединений и состояние уплотнительных прокладок.
- Аккуратно промывать радиатор охлаждающей жидкостью, используя специальные приспособления.
- Проверять уровень охлаждающей жидкости и поддерживать его в норме.
Следуя этим рекомендациям, вы обеспечите надежную и эффективную работу радиатора охлаждения двигателя ГАЗ-53, что в свою очередь позволит избежать возможных проблем с перегревом двигателя.
Вентилятор и муфта вентилятора
Вентилятор представляет собой радиальный вентилятор, который устанавливается на валу водяного насоса двигателя. Он выполнен из металла или пластика и имеет крыльчатку, которая создает поток воздуха, направляя его на радиатор. Вентилятор приводится в действие с помощью муфты вентилятора.
Муфта вентилятора является механизмом сцепления и разъединения вентилятора с валом водяного насоса. Она предназначена для регулирования скорости вращения вентилятора в зависимости от температуры двигателя. Муфта вентилятора работает по принципу термостата: при нагреве она сцепляется с валом водяного насоса и вращается вместе с вентилятором, обеспечивая максимальное охлаждение. При охлаждении муфта разъединяется с валом и вентилятор вращается свободно.
Такая конструкция позволяет экономить энергию и увеличивает срок службы вентилятора и системы охлаждения в целом. Благодаря муфте вентилятора, скорость вращения вентилятора автоматически регулируется, что делает систему более эффективной и надежной.
Важные особенности:
- Вентилятор и муфта вентилятора должны регулярно проверяться и обслуживаться для предотвращения поломок и обеспечения нормального охлаждения двигателя.
- При неисправности вентилятора или муфты вентилятора необходимо их заменить как можно скорее, чтобы избежать серьезных проблем с охлаждением двигателя.
Расширительный бачок
Расширительный бачок выполнен из прозрачного пластика, чтобы можно было визуально контролировать уровень охлаждающей жидкости в нем. Он подключается к системе охлаждения через шланги и выполняет функцию резервуара, в котором собирается излишек жидкости при нагреве двигателя.
Принцип работы расширительного бачка основан на термодинамических свойствах охлаждающей жидкости. При нагреве двигателя объем охлаждающей жидкости увеличивается, что приводит к повышению давления в системе охлаждения. Избыток жидкости попадает в расширительный бачок, где она остывает и снова возвращается в систему при охлаждении двигателя. При охлаждении объем охлаждающей жидкости уменьшается, что приводит к снижению давления в системе.
Расширительный бачок также выполняет еще одну важную функцию — он предотвращает вытекание охлаждающей жидкости из системы при нагреве двигателя. В случае, если давление в системе превышает норму, избыток жидкости отводится в расширительный бачок, где она сохраняется до охлаждения.
Таким образом, расширительный бачок является неотъемлемой частью системы охлаждения двигателя газ 53. Он выполняет две основные функции — компенсацию изменения объема охлаждающей жидкости и предотвращение вытекания жидкости из системы при нагреве двигателя.
Термостат

Принцип работы
Термостат состоит из корпуса, внутри которого расположен восковой элемент и пружина. Когда двигатель холодный, восковой элемент находится в сжатом состоянии и термостат открыт, позволяя охлаждающей жидкости проходить прямо в радиатор и охлаждать двигатель. При повышении температуры двигателя восковой элемент начинает расширяться, что воздействует на пружину и закрывает термостат.
Когда термостат закрыт, охлаждающая жидкость не проходит через радиатор, а циркулирует только внутри двигателя. Это позволяет достичь быстрого нагрева двигателя и поддерживать его оптимальную рабочую температуру даже в холодную погоду.
Роль термостата в системе охлаждения
Термостат играет важную роль в системе охлаждения двигателя газ 53, так как он позволяет достичь оптимальной работы двигателя в любых условиях. Если двигатель слишком охлаждается, он может работать неэффективно, что приводит к высокому расходу топлива и износу деталей двигателя. С другой стороны, если двигатель перегревается, это может привести к его поломке и серьезным повреждениям.
Термостат также способствует быстрому прогреву двигателя в холодное время года, что улучшает его работу и экономит топливо.
Водяной насос
Водяной насос устанавливается на передней поверхности двигателя и приводится в действие ременной передачей от коленчатого вала. Он обеспечивает непрерывное движение охлаждающей жидкости по системе охлаждения и поддерживает постоянную температуру двигателя в рабочих пределах.
Основной принцип работы водяного насоса заключается во вращении ротора, который имеет лопасти. При работе двигателя ротор водяного насоса перебрасывает охлаждающую жидкость из радиатора в двигатель и обратно.
На роторе насоса имеются лопасти, создающие давление и направляющие поток охлаждающей жидкости. Ротор вращается в корпусе на подшипниках, что позволяет эффективно перекачивать охлаждающую жидкость.
Важным моментом в работе водяного насоса является наличие прокладки между корпусом и крышкой. Она предотвращает утечку охлаждающей жидкости и обеспечивает герметичность системы. Кроме того, прокладка изоляции обеспечивает теплоизоляцию воды внутри насоса.
Водяной насос является важным компонентом системы охлаждения двигателя ГАЗ-53, так как он обеспечивает циркуляцию и равномерное распределение охлаждающей жидкости в двигателе. Сбои в работе насоса могут привести к перегреву двигателя и его поломке, поэтому регулярная проверка и обслуживание водяного насоса являются важными элементами обслуживания автомобиля.
Термостатический корпус
Основной задачей термостатического корпуса является регулирование потока охлаждающей жидкости в системе. Корпус содержит термостат, который контролирует температуру двигателя и открывает или закрывает клапан в зависимости от нужд системы. Когда двигатель нагревается, термостат открывается, позволяя охлаждающей жидкости пройти через радиатор и охладить двигатель. Когда двигатель достигает определенной температуры, термостат закрывается, перекрывая поток охлаждающей жидкости через радиатор и удерживая температуру на оптимальном уровне.
Термостатический корпус также обеспечивает защиту двигателя от перегрева. Его конструкция и материал позволяют противостоять высоким температурам и предотвращать утечку охлаждающей жидкости. В случае повреждения или неисправности термостатического корпуса, может произойти нарушение циркуляции охлаждающей жидкости и возникнуть риск перегрева двигателя.
В зависимости от модели и выпуска ГАЗ 53, термостатический корпус может иметь разные конструктивные особенности. Однако, его основная функция всегда одна — обеспечение оптимальной температуры работы двигателя. Поэтому регулярное обслуживание и проверка термостатического корпуса являются неотъемлемой частью поддержания надежности и эффективности охлаждения двигателя ГАЗ 53.
Гидрозатвор
Принцип работы
Гидрозатвор работает по принципу управления уровнем воды в радиаторе охлаждения двигателя. Когда двигатель газ 53 нагревается, охлаждающая жидкость входит в радиатор и нагревается. При этом под давлением открывается гидрозатвор и вода начинает вытекать из радиатора.
Когда температура охлаждающей жидкости снижается, гидрозатвор закрывается и вода перестает вытекать. Это сохраняет оптимальную температуру охлаждения двигателя и предотвращает его перегрев.
Особенности
Гидрозатворы для двигателей газ 53 обычно имеют расходную способность от 0,13 до 0,35 л/мин при давлении 0,15-0,3 МПа. Это позволяет эффективно регулировать поток охлаждающей жидкости и поддерживать оптимальную температуру работы двигателя.
Гидрозатворы также оснащены клапаном, который предотвращает обратный поток воды из радиатора обратно в систему. Это гарантирует ее надежную работу и предотвращает возможные повреждения.
| Параметр | Значение |
|---|---|
| Расходная способность | 0,13 — 0,35 л/мин |
| Давление | 0,15 — 0,3 МПа |
Охлаждающая жидкость
В системе охлаждения двигателя газ 53 используется особая охлаждающая жидкость, которая играет ключевую роль в стабильной работе механизма. Она выполняет несколько важных функций:
Предотвращение перегрева
Охлаждающая жидкость поглощает тепло, выделяемое во время работы двигателя, и предотвращает его перегрев. Она циркулирует по системе охлаждения, проходя через радиатор, где ее охлаждают воздухом.
Защита от коррозии
Особая составляющая охлаждающей жидкости защищает систему охлаждения от коррозии и образования накипи на поверхности двигателя. Поступающая через водяной насос жидкость смазывает и защищает внутренние детали двигателя.
Регулирование температуры
Охлаждающая жидкость также помогает регулировать температуру двигателя, обеспечивая оптимальные условия для его работы. Она поддерживает стабильную температуру в пределах заданных норм и предотвращает перегрев или недогрев двигателя.
Эффективная система охлаждения с использованием надежной охлаждающей жидкости играет ключевую роль в поддержании оптимальной температуры и продлевает срок службы двигателя газ 53.